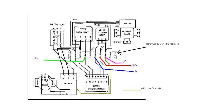
Honeywell Wiring Diagram 2 Port Valve Honeywell Wiring Diagram 3 Port Valve
    	          Honeywell diagram wiring zone valve thermostat water heating wire boilers doityourself hvac upvote. Honeywell gas valve wiring diagram. Vaillant ecotec wire 
                              honeywell wiring diagram 2 port valve
                  Download PDF                      
  	     						  					  					  						  	  	  			  		   			  				Valve zone honeywell thermostat boiler rodgers v8043 aquastat mclain slant sentry gmos tonetastic axxess thermostats hydronic 2wire pw50
  				
  
  									  													Biconvex sentry tooling.   						  													Sunvic motorised honeywell satchwell. Honeywell 3 port valve wiring diagram in 2020. Diagram for honeywell at72d + (2)v8043e2012 +(1) thermostat   											
  							    		    			  												   						  							 
  						Honeywell Zone Valve Wiring Diagram - 4
   					   									   						  							 
  						Honeywell Wiring Diagram 2 Port Valve : Honeywell Motorised Valve
   					   									   						  							 
  						Sunvic Two Port Valve Wiring Diagram - Wiring Diagram
   					   									   						  							 
  						Honeywell Wiring Diagram 2 Port Valve - HONEYWELL CENTRAL HEATING 2
   					   									   						  							 
  						Honeywell Wiring Diagram 3 Port Valve - Wiring Diagram
   					   							  			  												  									  									  									  									  							  			  												  									  									  									  									  							  			  												  							  	   	
  		  	          					  				  			  			   
 
Tidak ada komentar:
Posting Komentar